液位變送器用途
廣泛用于石油、海洋、水庫、河流、化工、冶金、電力、科研等企事業單位。
    
    
液位變送器特點
1.使用被測介質廣泛,可測油、水及與316不銹鋼兼容的糊狀物,具有一定的防腐能力。
2.直接投入式結構,安裝、使用方便,可適應很小的安裝空間。
3.準確度高,穩定性好。除進口原裝器已用激光修正外,還對整機在使用溫度范圍內的綜合性溫度漂移、非線性進行精細地補償,因此在使用溫度范圍內非線性小,溫度穩定性好。
4.體積小,重量輕,一般無需安裝支架。無可動部件,零點、量程外部連續可調。
5.4~20mA DC標準電流信號輸出,二線制工作。
6.壓力傳感器直接感測被測液位壓力,不受介質起泡、沉積的影響。
    
    
液位變送器技術指標
適用介質:與316不銹鋼兼容的液體及半糊狀物。
量程:0~1~210M
準確度:0.25%F·S 0.5%F·S
過載能力:額定量程的3倍
零點溫度系數:小于0.02%/℃
滿程溫度系數:小于0.02%/℃
電源電壓:24V DC
使用溫度:-20℃~70℃
保存溫度:-40℃~100℃
輸出信號:兩線制4~20mA DC
結構材料:隔離膜片:316不銹鋼波紋膜片;傳感器外殼:1Grl8Ni9Ti不銹鋼
電纜:φ8聚氯乙烯六芯空心電纜
中繼箱:97×84×147環氧樹脂噴涂
過程連接:投入式:直角支架孔距50×50mm,孔徑φ5mm;直桿式:無螺紋或螺紋自選。螺紋式:M27×2、M20×1.5或螺紋自選;法蘭式:DN25或用戶自選。防腐式:直角支架孔距50×50mm,孔距φ5mm。
    
    
液位變送器工作原理
當被測介質(液體)的壓力作用于傳感器時,壓力傳感器將壓力信號轉換成電信號。經歸一化差分放大和輸出放大器放大,*后經V/A電壓電流轉換器轉換成與被測介質(液體)的液位壓力成線性對應關系的4~20mA標準電流輸出信號。
    
    
液位變送器選型表
    
    
液位變送器安裝與接線
1.安裝
(1)一般要求:當測量一般介質時(如:水、輕質油),應使用節流型。當測量粘稠、易阻塞、易結晶介質時,應選用防阻塞型。
①變送器所配電纜長度,除用戶特殊說明外,一般比測量范圍長2m。
②變送器直接投入到容器中,即可正常工作。
    
    
    
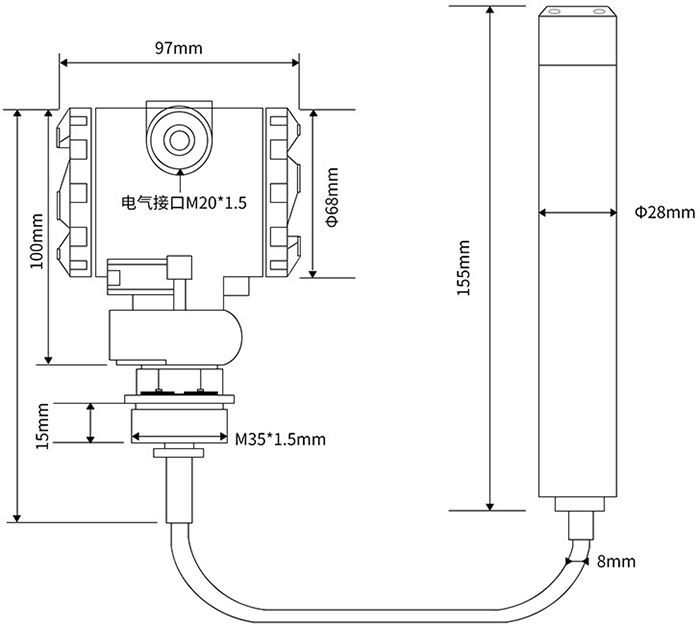
(2)外形尺寸
    
2.接線方式
    
變送器的端子位于中繼箱內,電纜線從中繼箱的引線口接入。中間兩端子為24V DC輸入端,兩邊的兩端子為顯示表頭接線端子。
零點和量程調正:零點和量程調正電位器位于中繼箱內。校正時打開中繼箱蓋,即可進行調正,左邊的(Z)是調零點電位器,右邊的(R)是調量程電位器。
    
液位變送器安裝使用注意事項
1.搬運和安裝變送器時應小心謹慎,避免元器件的移動和損壞,影響電路的性能。
2.變送器的本安導線不得與高壓電纜線一起敷設,導線長度應盡量縮短,導線的分布電感、分布電容及變送器的有效電感、有效電容之和,不得超過安全柵規定的額定值。
3.變送器設有接地螺釘,接地導線必須牢固,且接地電阻不大于2Ω。
4.維修時應切斷本安電路的電源,在非危險區進行檢修。
5.維修人員不得隨意更換電氣元件的規格、型號,有質量問題應立即與廠家聯系。
6.檢定周期,一般不超過三個月。用戶可根據實際需要自定檢定周期。
- 		 
			
			
3051液位變送器
 - 		 
			
			
天然氣液位變送器
 - 		 
			
			
儲罐液位變送器
 - 		 
			
			
低溫液位變送器
 - 		 
			
			
蒸汽鍋爐液位變送器
 - 		 
			
			
瀝青罐液位變送器
 - 		 
			
			
衛生型液位變送器
 - 		 
			
			
高壓液位變送器
 - 		 
			
			
數顯液位變送器
 - 		 
			
			
分體式液位變送器
 - 		 
			
			
導壓式液位變送器
 - 		 
			
			
礦用液位變送器
 - 		 
			
			
油罐液位變送器
 - 		 
			
			
井用液位變送器
 - 		 
			
			
水池液位變送器
 - 		 
			
			
污水液位變送器
 - 		 
			
			
高精度液位變送器
 - 		 
			
			
本安隔爆液位變送器
 - 		 
			
			
防爆液位變送器
 - 		 
			
			
擴散硅液位變送器
 - 		 
			
			
隔膜液位變送器
 - 		 
			
			
桿式液位變送器
 - 		 
			
			
耐腐蝕液位變送器
 - 		 
			
			
防腐型液位變送器
 - 		 
			
			
高溫型液位變送器
 - 		 
			
			
遠傳液位變送器
 - 		 
			
			
磁浮子液位變送器
 - 		 
			
			
磁翻板液位變送器
 - 		 
			
			
雷達液位變送器
 - 		 
			
			
一體式液位變送器
 - 		 
			
			
浮筒液位變送器
 - 		 
			
			
智能液位變送器
 - 		 
			
			
浮球式液位變送器
 - 		 
			
			
纜式液位變送器
 - 		 
			
			
電容式液位變送器
 - 		 
			
			
單法蘭液位變送器
 - 		 
			
			
雙法蘭液位變送器
 - 		 
			
			
法蘭式液位變送器
 - 		 
			
			
靜壓式液位變送器
 - 		 
			
			
液位壓力變送器
 - 		 
			
			
差壓液位變送器
 - 		 
			
			
投入式液位變送器
 






























